XKTY.COM

XKTY.COM

中文

QLM-20s

  • 产品图片
  • 产品图片
  • 产品图片
  • 产品图片

产品简介

QLM系列全向轮(omni wheel)提供最大2000千克的负载能力,同时保持了很高的精度标准。采用专利技术的轮毂一体成型工艺,最大限度发挥了材料的力学性能。从动轮表面材质可选橡胶或聚氨酯,能够适应不同的使用要求。QLM全系列产品采用滚动轴承设计,在平稳性、静音性、可靠性、全向性上都有很好的表现,能够适应室内及室外的应用场合。

图纸下载 | QLM-20sCN 图纸下载 | QLM-20sCN

产品特性

  • 轮毂一体成型,高强度、高刚性
  • 滚动轴承设计
  • 负载能力覆盖0~2000kg
  • 工业级品质

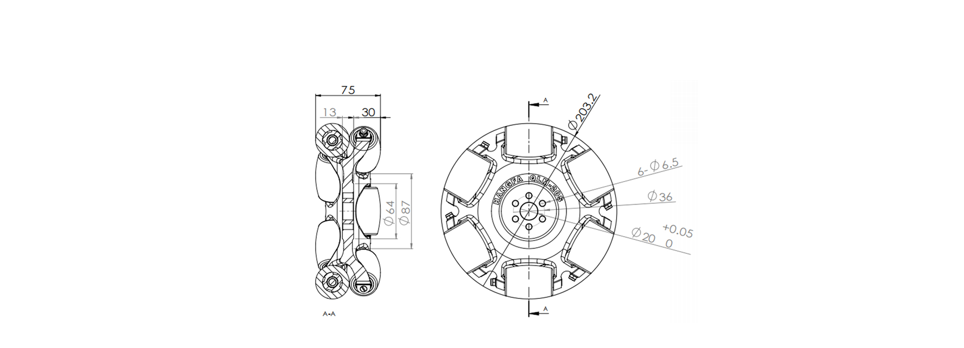
外形尺寸

产品外形尺寸

规格参数

外径 203.2(8")mm 宽度 75mm
侧轮数 12 轴承数 24
轴承类型 滚动轴承 小轮材质 橡胶/聚氨酯/铝合金
轮毂材质 铝合金 轮毂表面处理 无表面处理
连接形式 法兰 典型中心孔 20mm
自重 2.2Kg 负载能力 100Kg
外径 203.2(8")mm
侧轮数 12
轴承类型 滚动轴承
轮毂材质 铝合金
连接形式 法兰
自重 2.2Kg
宽度 75mm
轴承数 24
小轮材质 橡胶/聚氨酯/铝合金
轮毂表面处理 无表面处理
典型中心孔 20mm
负载能力 100Kg